| Availability: | |
|---|---|
IP68
Product Description
The CKAS-FLQW gas turbine flowmeter produced by CKAS is divided into 880 series and 990 series. It absorbs the advanced technology of flow meters at home and abroad, optimizes the design, and integrates the theories of gas mechanics, fluid mechanics, and electromagnetics. A new generation of high-precision, high-reliability gas precision metering instrument integrating temperature, pressure, flow sensor and intelligent flow totalizer, with excellent other pressure and high pressure metering performance, multiple signal output modes and low sensitivity to fluid disturbance It is widely used in the measurement of natural gas, coal gas, liquefied petroleum gas, light hydrocarbon gas and other gases.
The product is implemented and implemented in strict accordance with the product implementation standards 'GBT18940-2003 Turbine Flowmeter for Measuring Gas Flow in Closed Pipelines', 'GBT21391-2008 Measuring Natural Gas Flow with Gas Turbine Flowmeter' and verification standard G1037-2008 Turbine Flowmeter Verification Regulations' test.
The product has passed the national explosion-proof product quality inspection department according to GB3836.2000 'Electrical Equipment for Explosive Gas Atmospheres Part 1; General Requirements GB3836.2-2000 'Electrical Equipment for Explosive Gas Atmospheres Part 2; Flameproof 'd' ' and GB3836.4-2000 'Electrical Equipment for Explosive Gas Atmospheres Part 4: Intrinsically Safe T'' standard inspection, the anti-will mark is EXd IICT6Gb/EXCIBT6Gb (flameproof type), Exia llCT6Ga (intrinsically safe type) .Applicable to O (only intrinsically safe type] Zone 1 and Zone 2 hazardous locations containing explosive gas mixtures of 1LA, IIB, and IIC T1T6 temperature groups.
Features
1. High accuracy, generally up to 41.5%, ±1.0%, +0.5%
2. Adopting a new type of impeller group, it has low initial flow rate, small pressure loss, good anti-vibration and anti-pulsation flow performance, not easy to corrode, good reliability and long service life.
3. Designed with a rectifier with excellent rectification performance, the rigidity requirements of the front and rear straight pipe sections are reduced.
4. Ultra-high turndown ratio, up to 1:20 or higher.
5. Adopt new microprocessor and high-performance integrated chip with high calculation precision, powerful functions and superior performance.
6. According to the flow frequency signal, the linear correction can be automatically performed on the most component force section of the instrument coefficient, and the calculation accuracy of the instrument can be improved according to the user's needs.
7. The head of the flowmeter can rotate 360' in both directions, which is easy to install and use.
8. Good repeatability, the short-term repeatability can reach 0.05%R~0.2%R, precisely because of its good repeatability, it is the preferred flowmeter in trade settlement.
9. Independent movement design, good interchangeability and easy maintenance
10. The unique self-lubricating system of the movement makes the product need no maintenance or less maintenance during use.
11. Adopt low power consumption design, it can be powered by internal battery, and the battery can be used continuously for more than 2 years (without backlight); at the same time, it can also be connected to an external power supply.Special liquid product display screen (with backlight), intuitive and easy to read, can simultaneously display the instantaneous flow rate under the standard condition, the instantaneous flow rate under the working condition, the accumulated flow rate under the standard condition, and the temperature and pressure of the measurement medium and other parameters
12. Imported precision bearings for instruments are used, which have good wear resistance and high stability; at the same time, the lower limit of the instrument is improved and the initial flow rate is reduced.
13. With real-time data storage function, it can prevent data loss when the instrument suddenly loses power, and the internal data can be permanently saved in case of power failure.
14. Reliable electromagnetic compatibility design, good anti-interference performance, high reliability, meeting the electromagnetic compatibility experiment requirements of IIG1037-2008 standard.

flowmeter structure

working principle
When the airflow enters the flow meter, it first passes through the leading structure of the independent core and accelerates. Under the action of the fluid, since the turbine blades form a certain angle with the flow direction of the fluid, the turbine generates a rotational torque, which begins after the turbine overcomes the resistance torque and friction torque. turn.When the torques are balanced, the rotational speed is stable, and the rotational speed of the turbine has a linear relationship with the flow rate. The magnet on the rotating sending plate periodically changes the reluctance of the flow sensor, so that the flow sensor senses a flow proportional to the volume flow of the fluid. frequency signal.The signal is amplified and shaped by the preamplifier, and the pressure and temperature signals detected by the pressure and temperature sensors are simultaneously sent to the microprocessor of the flow totalizer for calculation, and converted to display the standard volume flow and standard volume cumulative total.
Principle of Flow Totalizer
The flow totalizer consists of a temperature and pressure detection analog channel, a flow sensor channel and a micro-processing unit, and is equipped with various output modules.The microprocessor in the flowmeter performs temperature and pressure compensation according to the gas state equation, and automatically corrects the compression factor. The gas state equation is as follows:

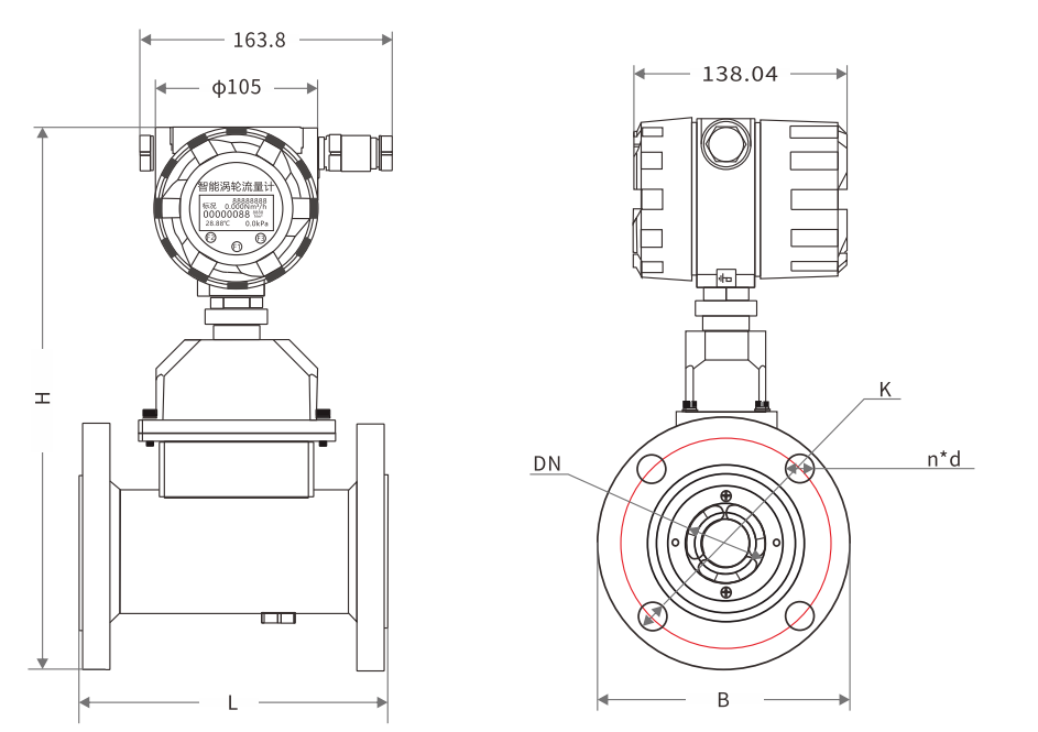
CKAS-CKAS-FLOW880 gas turbine flowmeter


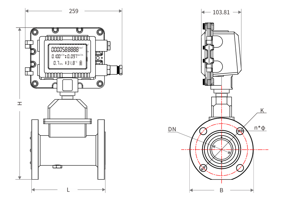
CKAS-CKAS-FLQW990 Gas turbine flowmeter


Technical Parameters


Flow range table and pressure rating

Pressure Loss Calculation for Flow Meters
example
The pressure loss of the turbine flowmeter is related to the driving of the turbine, the friction inside the pipeline, and the speed and direction of the fluid. The pressure loss of the turbine under working conditions can be obtained by the following formula:

Flowmeter pressure loss curve
